Обзор и тестирование материнской платы MSI B250M Mortar (страница 4)
Остальные интерфейсы сконцентрированы вдоль нижнего края материнской платы:
Тут нашлось место для порта COM и двух колодок подключения портов USB 2.0. Кроме того, неподалеку расположен разъем для подключения RGB-подсветки.
Из дополнительных контроллеров, расширяющих функциональность платы, можно отметить находящиеся у интерфейсной панели ASMedia ASM1543:
реклама
Данный контроллер отвечает за работу двух портов USB 3.1 (один Type-A, и один Type-C), расположенных на интерфейсной панели.
Звуковой тракт расположился в левом нижнем углу материнской платы:
Используется бюджетное решение в виде Realtek ALC892, но другого в данном ценовом сегменте и не стоило ожидать (разве что, ALC887).
В качестве сетевого контроллера используется Intel I219-V:
В качестве Multi-IO используется микросхема Nuvoton NCT6795D:
реклама
На задней панели MSI B250M Mortar расположены:
- Один x PS/2 порт для клавиатуры/мыши;
- Два x USB 2.0;
- Один x DVI-D;
- Один x HDMI;
- Один x DisplayPort;
- Один x LAN;
- Два x USB 3.0
- Один x USB 3.1 Type-A;
- Один x USB 3.1 Type-C;
- Шесть аудио входов/выходов 3.5 мм mini-jack.
На мой взгляд, конфигурация интерфейсной панели оставляет желать лучшего, все же пяти классических портов USB может не хватить.
Фотография MSI B250M Mortar, позволяющая оценить высоту компонентов:
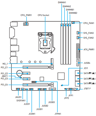
Расположение элементов:
Блок-схема материнской платы.
Страницы материала
Лента материалов раздела
Соблюдение Правил конференции строго обязательно!
Флуд, флейм и оффтоп преследуются по всей строгости закона!
Комментарии, содержащие оскорбления, нецензурные выражения (в т.ч. замаскированный мат), экстремистские высказывания, рекламу и спам, удаляются независимо от содержимого, а к их авторам могут применяться меры вплоть до запрета написания комментариев и, в случае написания комментария через социальные сети, жалобы в администрацию данной сети.


Комментарии Правила