Обзор и тестирование материнской платы MSI Z87M Gaming (страница 2)
Конфигурация слотов расширения:
Разъемы сверху вниз:
- PCI-E 3.0 X16/8;
- PCI-E 2.0 X1;
- PCI-E 3.0 X8/0;
- PCI-E 2.0 X1.
Используется четыре слота расширения, что является максимальным количеством для форм-фактора Micro-ATX. По компоновке разъемов особых претензий нет, разве что любителям мультиграфических конфигураций больше пришлось бы по душе, если бы полноразмерные слоты находились на высоте 1 и 4, а не 1 и 3. Но тогда нижняя видеокарта выходила бы за пределы Micro-ATX корпусов и теряется сам смысл использования уменьшенного форм-фактора платы.
реклама
Оба полноразмерных слота берут свое начало от процессора, шестнадцать процессорных линий PCI-Express делятся между ними при помощи четырех микросхем PI3PCIE 3412ZHE:
Слоты могут работать по формулам 3.0 16+0 и 3.0 8+8.
Порты SATA и колодка для подключения корпусных USB 3.0 портов расположены с правого края платы, недалеко от правого нижнего угла:
Все шесть портов SATA поддерживают стандарт SATA 6 Гбит/с. Отмечу, что все порты SATA, и колодка USB 3.0 берут свое начало от набора системной логики Intel Z87, сторонние контроллеры здесь не используются. А вот где сторонние контроллеры присутствуют, так это у I/O панели материнской платы. Во первых, это ASMedia ASM1061, обеспечивающий работу двух портов eSATA:
Во вторых, это контроллер Renesas UPD720202, обеспечивающий работу двух дополнительных портов USB 3.0:
реклама
Помимо внимания к таким мелочам, как дополнительные контроллеры для расширения функциональности, производитель не забыл и об удобствах для пользователя, в правом верхнем углу платы расположился «оверклокерский уголок»:
Здесь есть кнопка OC GENIE, позволяющая задействовать режим автоматического разгона процессора, а также переключатель OC Switch, позволяющий выбрать один из двух режимов работы OC GENIE, простой или более агрессивный. Для удобства работы с открытым стендом есть кнопки включения/перезагрузки системы, а для быстрой диагностики проблем присутствует POST-кодер.
Из дополнительной функциональности платы можно отметить джампер JSLOW, расположенный в нижней части платы:
Данный джампер предназначен для того, чтобы гарантировать запуск системы при экстремальном разгоне. По сути, функциональность аналогична переключателю Slow Mode оверклокерских плат ASUS.
Звуковой контроллер, как и у других материнских плат MSI серии Gaming накрыт кожухом с надписью «Audio Boost»:
Как и у других плат, под кожухом прячется кодек Realtek ALC1150:
В качестве сетевого контроллера используется Atheros Killer E2205:
Использование данного сетевого контроллера подчеркивается производителем материнской платы отдельно, ему даже посвящена часть рекламы на обратной стороне коробки платы. Ключевой особенностью можно отметить комплектное программное обеспечение, позволяющее настроить приоритеты для различных приложений, и, к примеру, продолжать играть при одновременной работе торрент-клиента.
В качестве Multi-IO используется микросхема Nuvoton NCT6779D:
реклама
На задней панели MSI Z87M Gaming расположены:
- Один PS/2 порт для клавиатуры/мыши;
- Кнопка ClearCMOS;
- Один LAN;
- Оптический порт S/PDIF;
- Один DisplayPort;
- Два HDMI;
- Два eSATA;
- Шесть USB 3.0;
- Два USB 2.0;
- Шесть аудио входов/выходов 3.5-мм mini-jack.
Конфигурация I/O панели сбалансирована, и, можно даже сказать, богата. Здесь есть восемь портов USB, шесть из которых поддерживают стандарт USB 3.0, есть три видеовыхода, а также пара портов eSATA. Для полного счастья не хватает разве что переходника HDMI->DVI-D в комплекте поставки платы и второго LAN разъема.
Фотография MSI Z87M Gaming, позволяющая оценить высоту компонентов.
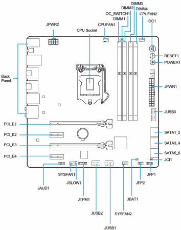
Расположение элементов.
Страницы материала
Лента материалов раздела
Соблюдение Правил конференции строго обязательно!
Флуд, флейм и оффтоп преследуются по всей строгости закона!
Комментарии, содержащие оскорбления, нецензурные выражения (в т.ч. замаскированный мат), экстремистские высказывания, рекламу и спам, удаляются независимо от содержимого, а к их авторам могут применяться меры вплоть до запрета написания комментариев и, в случае написания комментария через социальные сети, жалобы в администрацию данной сети.


Комментарии Правила