Обзор и тестирование материнской платы ASUS Maximus VI Impact (страница 3)
Фотография материнской платы, позволяющая оценить высоту компонентов:
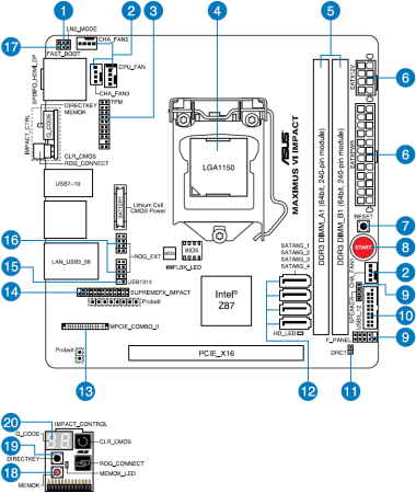
Расположение элементов:
Система охлаждения
Система охлаждения Maximus VI Impact представлена двумя радиаторами, один установлен в преобразователе питания процессора, второй на наборе системной логики.
Первый весьма скромен:
Для теплорассеивателя большего размера на материнской плате банально нет места. Зато у радиатора есть полноценная прижимная пластина, которая хоть и не участвует в отводе тепла, зато позволяет защитить преобразователь питания от изгиба.
На радиаторе используется термопрокладка средней толщины, проблем с контактом силовых элементов нет, прижим по всей площади равномерный.
реклама
Невелик по размерам и радиатор набора системной логики Intel Z87:
Но с низким энергопотреблением микросхемы чипсета способна справиться и такая конструкция.
Непривычно это видеть, но в данном случае для радиатора системной логики использовали точно такую же термопрокладку, как и для радиатора преобразователя питания процессора.
Система питания
В отличие от классических системных плат, на ASUS Maximus VI Impact преобразователь питания вынесен на отдельную плату и расположен перпендикулярно самой материнской плате:
На этой плате разместились два преобразователя питания: восьмифазный для процессора и двухфазный для памяти.
В питании ЦП используются микросхемы International Rectifier IR3553, по одной на каждую фазу. В питании памяти применены микросхемы Texas Instruments CSD87588N, по одной на фазу.
Оба ШИМ-контроллера расположены с обратной стороны преобразователей питания:
Восемь фаз питания процессора обеспечивает контроллер DIGI+ ASP1251 (International Rectifier IR3563A), за две фазы питания памяти отвечает контроллер DIGI+ ASP1103.
Возможности BIOS Setup
UEFI меню линейки ROG системных плат ASUS было подробно рассмотрено в предыдущем обзоре, посвященном Maximus VI Extreme. В случае с Maximus VI Impact различия минимальны.
реклама
Первое отличие можно обнаружить на вкладке Overclocking Presets:
По сравнению с Maximus VI Extreme здесь к профилям добавились готовые настройки для покорения высоких частот работы памяти. Забегая вперед, скажу, что со стендовыми комплектами памяти ни один из профилей не запустился.
Второе отличие касается возможностей разгона базовой частоты, здесь нет опции Source Clock Tuner, управляющей входным сопротивлением для базовой шины процессора:
И, наконец, третье отличие можно обнаружить на вкладке Tweakers’ Paradise:
На Maximus VI Impact отсутствуют настройки PLX моста (поскольку самого моста на плате нет) и нет возможности отключения процессорного контроллера PCI-Express. Последнее легко объясняется тем, что PCI-E порт у материнской платы один-единственный, а на Maximus VI Extreme преимущество заключалось в возможности использовать графический адаптер в слоте, идущем от набора системной логики.
Страницы материала
Лента материалов раздела
Соблюдение Правил конференции строго обязательно!
Флуд, флейм и оффтоп преследуются по всей строгости закона!
Комментарии, содержащие оскорбления, нецензурные выражения (в т.ч. замаскированный мат), экстремистские высказывания, рекламу и спам, удаляются независимо от содержимого, а к их авторам могут применяться меры вплоть до запрета написания комментариев и, в случае написания комментария через социальные сети, жалобы в администрацию данной сети.


Комментарии Правила