Обзор и тестирование материнской платы Gigabyte GA-Z77X-UP4 TH (страница 2)
По нижнему краю Gigabyte GA-Z77X-UP4 TH размещен ряд колодок для подключения различных интерфейсов.
Колодка корпусных аудиоразъемов, колодки SPDIF IN и SPDIF OUT, четырехконтактный разъем для подключения вентилятора, колодка TPM, три колодки USB 2.0 для подключения шести портов (реализовано силами чипсета Z77), еще один четырехконтактный разъем для подключения вентилятора, колодка для подключения корпусных элементов (индикаторов питания и активности жесткого диска, динамика, кнопок включения и перезагрузки, датчика открытия корпуса), колодка COM-порта.
Обратите внимание: все колодки закрытые, что дополнительно защищает штырьки от повреждений и замыкания, промаркированы сами по себе, а не только на поверхности платы и там, где это необходимо, снабжены схемой расположения контактов.
По левому краю платы разместился аудиотракт на базе контроллера Realtek ALC892. Все остальное место до панели аудиоразъемов практически полностью заняла элементная база основного новведения этой серии материнских плат – интерфейса Intel Thunderbolt.
Его сердцем является двухканальный контроллер Intel DSL3510L, отвечающий за поддержку двух портов Thunderbolt.
реклама
Каждый из них рассчитан на подключение последовательно до шести устройств Thunderbolt (например, устройств хранения данных) и одного монитора одновременно. Напомню, что порты Thunderbolt полностью совместимы с Mini DisplayPort, что позволяет подключать к ним мониторы с этим интерфейсом. Общее максимальное количество подключаемых к GA-Z77X-UP4 TH мониторов, работающих независимо друг от друга, равно трем: один монитор обязательно подключается к порту Thunderbolt (MDP1; как Thunderbolt, так и Mini DisplayPort), второй может быть подключен ко второму порту Thunderbolt или DVI-D (эти порты совмещены по выводу), третий — к HDMI или D-Sub.
Стоит учитывать, что в случае задействования DVI-D второй порт Thunderbolt (MDP2) теряет возможность вывода изображения (иной функционал остается в действии). Сам контроллер в числе прочего, подключен к шине Flexible Display Interface (FDI), по которой передается картинка с встроенного в процессор графического ядра. Естественно, присутствует полная поддержка технологии Lucid Virtu MVP.
На данной материнской плате контроллер Intel DSL3510L подключен напрямую к чипсету посредством четырех линий PCI-E 2.0. Его сопутствующая обвязка достаточно непростая. Чуть ниже контроллера Intel можно видеть контроллер NXP L04DP211, а перевернув плату, с обратной стороны можно найти еще один аналогичный контроллер. По одному на каждый из портов Thunderbolt.
Они оба отвечают за поддержку подключения мониторов DispayPort к Thunderbolt. Микросхема с маркировкой PI3HDMI412 - это четырехканальный мультиплексор производства компании Pericom, отвечающий за поддержку HDMI (поддерживаемая версия HDMI – 1.3a) через Thunderbolt. Ниже, вдоль края платы расположились два одинаковых однофазных преобразователя питания всего этого «хозяйства» - по одному на каждый из двух портов Thunderbolt.
Для обоих преобразователей в качестве ШИМ-контроллеров применены Richtek RT8120A.
реклама
Между элементами задней панели и преобразователями питания процессора, рассмотренными выше, инженеры Gigabyte расположили еще три микроконтроллера, обеспечивающих работу разъемов на задней панели материнской платы.
Это два ASM1442, производства компании ASMedia (обеспечивают работу D-Sub, HDMI (версии 1.3a) и DVI-D, а также переключение между ними), и контроллер компании VIA – VLI VL800-08 (отвечающий за работу четырех USB 3.0; подключен к чипсету одной линией PCI-E). За сетевой интерфейс отвечает гигабитный контроллер Realtek RTL8111F, подключенный к чипсету одной линией PCI-E 2.0.
Помимо колодок и разъемов различных интерфейсов, на рассматриваемой материнской плате присутствуют слоты расширения – это три PCI-E x1, три графических PCI-E, один слот старой шины PCI.
В платформе Intel LGA 1155 источниками линий PCI-E являются процессор (версии 2.0 в случае установки ЦП Sandy Bridge или 3.0 при соответствующей поддержке материнской платой и с семейством Ivy Bridge), поддерживающий шестнадцать «линков», и чипсет (только 2.0), поддерживающий восемь «линков». Поддержки старой шины PCI нет вообще, поэтому для реализации единственного слота PCI применен мост PCIe-PCI IT8893E производства ITE, подключенный к набору логики посредством одной линии PCI-E 2.0.
Кстати, довольно спорное решение: все мосты PCIe-PCI обладают достаточно ограниченной совместимостью и часто преподносят своим пользователям неприятные сюрпризы в виде отказа работать нормально с какой-нибудь старой платой.
С процессором все ясно: его возможности – это поддержка только графической подсистемы, при этом допускается распределение линий по трем схемам и именно так работает Gigabyte GA-Z77X-UP4 TH:
- Один графический порт на шестнадцать линий.
- Два активных порта в режиме х8 + х8.
- Три активных порта в режиме х8 + х4 + х4 , причем он доступен только процессорам семейства Ivy Bridge (хотя, если вспомнить историю, подобный режим работы обговаривался еще в предварительных спецификациях Sandy Bridge), о чем производитель прямо предупреждает специальной легкоснимаемой наклейкой прямо на разъеме.
Но сам процессор не может переключать линии между графическими слотами и вот здесь вступает в дело материнская плата, точнее, специальные свитчи, распаянные на ней. Именно от них зависит, какую версию PCI-E будет поддерживать системная плата – привычную 2.0 или современную 3.0. У Gigabyte GA-Z77X-UP4 TH с этим все в порядке:
Применены свитчи L04083B производства NXP, которые полностью поддерживают PCI-E версии 3.0. Снизу вверх на фото: четыре свитча распределяют шестнадцать линий между первым (PCIEX16) и остальными слотами PEG. То есть первый PEG при любых условиях будет работать, как минимум, в режиме х8. Последующие два свитча – распределяют восемь оставшихся линий между вторым и третьим слотами PEG (PCIEX8 и PCIEX4).
Обратите внимание: если задействовать самый нижний PCIEX4 (без разницы чем, даже обычным PCI-E x1 контроллером, например, SATA), то включается режим работы слотов х8 + х4 + 4 (даже если остальные PEG оставить пустыми). А если задействовать PCIEX8 (PCIEX4 оставить пустым, занятость PCIEX16 роли не играет), то схема работы будет х8 + х8. Если задействован только PCIEX16, а остальные слоты оставлены пустыми, то только в этом случае он будет работать как полноскоростной PCI-E x16.
Восемь линий PCI-E 2.0 чипсета распределены между различными дополнительными контроллерами. И если раньше с натяжкой как-то можно было уложиться в эти скромные восемь линий (в ход шли различные ухищрения типа USB-хабов у Gigabyte, использования уже устаревших контроллеров PCI и их подключение через мост PCIe-PCI у ASRock), то теперь стало еще сложнее – четыре линии забирает интерфейс-новичок. В итоге, на Gigabyte GA-Z77X-UP4 TH самые часто используемые и скоростные контроллеры были подключены к чипсету напрямую – сетевой контроллер, контроллер USB 3.0, мост PCIe-PCI, задействовав три из четырех оставшихся чипсетных линий PCI-E. А к четвертой линии PCI-E был подключен PLX-мост PEX8605.
реклама
Благодаря ему, на материнской плате присутствует три слота PCI-E x1 (версии 2.0). На первый взгляд, данное решение выглядит достаточно спорным, но стоит учесть, что ситуации, когда заняты сразу три PCI-E x1 одновременно, встречаются очень редко, да и нагрузить сразу все три платы расширения так, чтобы они полностью выбирали всю пропускную способность, довольно сложно. В реальности такие ситуации встречаются еще реже. К тому же, наличие трех слотов предоставляет пользователю простор в возможностях расположения плат расширения, что немаловажно. Это все-таки лучше, чем один-единственный слот. Расположенный рядом с PEX8605 контроллер Richtek RT9018A отвечает за его питание.
Вполне очевидно, что именно жесткий дефицит линий PCI-E и обусловил применение лишь одного достаточно нового контроллера сразу на четыре порта USB 3.0 (впервые решение VIA было опробовано на некоторых моделях прошлого поколения плат на Z77). До этого Gigabyte применяла в большинстве случаев двухпортовые решения Etron и NEC, либо использовала USB-хабы производства все той же VIA, например, хаб VL810 (к примеру, на упомянутой выше GA-Z77X-UD5H или на более старой GA-P67A-UD7). Видимо, той же причиной обусловлено полное отсутствие каких-либо контроллеров, расширяющих возможности дисковой подсистемы.
Здесь же, около PEX8605 и свитчей NXP L04083B расположились две микросхемы BIOS – основная и резервная. В их роли задействованы две микросхемы Flash-памяти MX25L6406E, производства компании MXIC, емкостью 64 Мбит каждая. Соответственно, материнская плата поддерживает технологию Gigabyte DualBIOS, суть которой заключается в том, что в случае повреждения содержимого основной микросхемы (например, при неудачном разгоне или ошибке обновления), сработает автоматическое восстановление, и она будет перезаписана содержимым резервной.
Единственное условие: должен остаться целым boot-блок BIOS, иначе восстановление не сработает и потребуется программатор (либо специальная фирменная съемная микросхема BIOS со служебной утилитой, которая распространяется Gigabyte среди сервис-центров). В старших моделях материнских плат этого ограничения нет – там Gigabyte устанавливает ручной переключатель между микросхемами, здесь же - сугубо программное решение.
Задняя панель GA-Z77X-UP4 TH может предложить следующий набор разъемов:
- Один универсальный PS/2, допускающий подключение, как мыши, так и клавиатуры;
- Два USB 3.0 (реализованные силами VLI VL800);
- Один D-Sub и один DVI-D;
- Два USB 3.0 (реализованные силами VLI VL800) и один HDMI;
- Сетевой порт RJ-45 и два USB 3.0 (силами чипсета Z77; именно к этим портам рекомендуется подключать мышь и/или клавиатуру с интерфейсом USB, о чем лишний раз напоминает наклейка, наклеенная на корпус этих портов, причина проста: для контроллера VIA нужно ставить дополнительный драйвер, иначе ОС не увидит оборудование, подключенное к портам контроллера);
- Два порта Intel Thunderbolt;
- Группа аудиоразъемов и выход S/PDIF.
Внимательный читатель заметит, что на задней панели материнской платы нет ни одного порта USB 2.0. Начинаем прощаться с данным интерфейсом? Все-таки данное решение навряд ли можно назвать удачным, ведь получается, что без дополнительно установленного драйвера на задней панели будут работоспособны всего два порта USB. Сама Windows 7, кстати, драйверов для данного контроллера не находит даже на WindowsUpdate (ОС лицензионная, если что). Также обращает на себя внимание то, что разъем D-Sub держится крайне хлипко и сильно шатается, возможно, это дефект конкретного экземпляра платы. Проблема не в плохой пайке, а в том, что сама пластмасса слабая.
Системе охлаждения процессора необходимо вписаться в нижеследующие габариты:
Замеры производились от прижимной рамки сокета до самого слота (а не его прорези), поэтому стоит учитывать ситуации, когда толщина, например, модуля памяти, вместе с установленными на него радиаторами (если они есть), больше ширины слота.
Технические характеристики
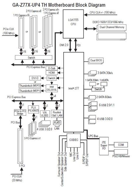
В заключение внешнего осмотра Gigabyte GA-Z77X-UP4 TH, приведу из инструкции платы ее принципиальную блок-схему, которой традиционно сопровождается каждая материнская плата Gigabyte.
И общую таблицу технических характеристик продукта.
Страницы материала
Лента материалов раздела
Соблюдение Правил конференции строго обязательно!
Флуд, флейм и оффтоп преследуются по всей строгости закона!
Комментарии, содержащие оскорбления, нецензурные выражения (в т.ч. замаскированный мат), экстремистские высказывания, рекламу и спам, удаляются независимо от содержимого, а к их авторам могут применяться меры вплоть до запрета написания комментариев и, в случае написания комментария через социальные сети, жалобы в администрацию данной сети.


Комментарии Правила