Обзор и тестирование материнской платы MSI A88XI AC (страница 2)
Можно отметить использование Wi-Fi/Bluetooth модуля в форм-факторе mini-PCIe:
К слову о модуле Wi-Fi/Bluetooth, здесь используется весьма недешевое решение - Intel 7260HMW, если покупать такой модуль отдельно, то он может обойтись в $20-25. Его ключевой особенностью является возможность работы на частоте 5 ГГц, а также поддержка стандарта IEEE 802.11ac.
Затраты на беспроводной адаптер привели к тому, что с остальными контроллерами на плате сэкономили. В качестве сетевого контроллера используется Realtek 8111G:
реклама
В качестве звукового кодека используется Realtek ALC887:
В качестве Multi-IO используется микросхема Fintek F71808AU:
На задней панели MSI A88XI AC расположены:
- Один PS/2 порт для клавиатуры/мыши;
- Оптический порт S/PDIF;
- Два выхода под Wi-Fi антенны;
- Один HDMI;
- Один DVI-D;
- Один LAN;
- Два USB 3.0;
- Четыре USB 2.0;
- Три аудио входа/выхода 3.5-мм mini-jack.
Конфигурация I/O панели не отличается большим удобством: много места занимают выходы Wi-Fi антенн и порт DVI, из-за чего в распоряжении пользователя есть только шесть портов USB. Малое количество портов USB усугубляется еще и тем, что все они расположены в одном месте, и не ко всем портам в итоге может сохраниться доступ.
реклама
Фотография MSI A88XI AC, позволяющая оценить высоту компонентов:
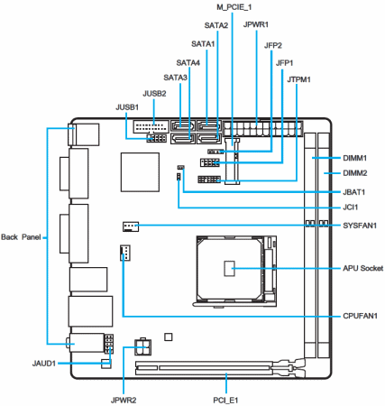
Расположение элементов.
Система охлаждения
Система охлаждения материнской платы предельно проста, и состоит всего из двух радиаторов. Один радиатор отводит тепло от преобразователей питания процессора и CPU_NB, второй радиатор отводит тепло от набора системной логики AMD A88X.
Оба радиатора весьма скромны в размерах, что обуславливается используемым форм-фактором платы.
Радиатор преобразователей питания процессора и CPU_NB:
На серьезный разгон процессора с таким охлаждением преобразователей питания надеяться не приходится, но в ITX это частая проблема, тут уж ничего не поделать.
Контакт радиатора с силовыми элементами осуществляется через довольно толстую термопрокладку. Отпечаток на термопрокладке равномерный, проблем с контактом радиатора и силовых элементов нет.
Радиатор набора системной логики:
Термоинтерфейс по консистенции напоминает высохшую жвачку.
реклама
Система питания
Преобразователь питания процессора выполнен по схеме 3+2, три фазы отведено для питания непосредственно процессора, еще две фазы отвечают за питание CPU_NB:
С учетом «аппетитов» встроенной графики процессоров AMD, такая схема выглядит оправданной. Да, хотелось бы конфигурации 4+2, но для нее у материнской платы просто нет свободного места.
Экономия места привела даже к тому, что вместо привычного расположения конденсатов между процессорным разъемом и дросселями, они были перенесены на обратную сторону платы:
В качестве контроллера в преобразователе питания используется Intersil ISL62773. В качестве транзисторов применены On Semiconductor NTMFS4C05N и NTMFS4C08N, по одному на каждую фазу.
Преобразователь питания памяти однофазный:
В качестве контроллера используется uP1504 производства uPI Semiconductor. В качестве транзисторов используется по два NXP 7030DL и 3830DL.
Страницы материала
Лента материалов раздела
Соблюдение Правил конференции строго обязательно!
Флуд, флейм и оффтоп преследуются по всей строгости закона!
Комментарии, содержащие оскорбления, нецензурные выражения (в т.ч. замаскированный мат), экстремистские высказывания, рекламу и спам, удаляются независимо от содержимого, а к их авторам могут применяться меры вплоть до запрета написания комментариев и, в случае написания комментария через социальные сети, жалобы в администрацию данной сети.


Комментарии Правила