Обзор и тестирование материнской платы MSI X370 SLI Plus (страница 4)
Остальные интерфейсы сконцентрированы вдоль нижнего края материнской платы:
Тут нашлось место для двух колодок USB 2.0, а также еще одной колодки USB 3.0. Плюс ко всему, материнская плата располагает такими интерфейсами, как LPT и COM.
Из дополнительных контроллеров, расширяющих функциональность платы, в первую очередь бросаются в глаза пара микросхем ASMedia, а именно ASM2142 и ASM1543, расположенные недалеко от интерфейсной панели:
реклама
Данная пара микросхем отвечает за работу двух портов USB 3.1 (один Type-A, и один Type-C), расположенных на интерфейсной панели.
Звуковой тракт расположился в левом нижнем углу материнской платы:
Как и в случае с MSI X370 Krait Gaming, в качестве звукового кодека используется Realtek ALC892. По крайней мере, на этот раз его не стали накрывать декоративным кожухом, да и с учетом более низкой стоимости материнской платы уже не так обидно.
В качестве сетевого контроллера используется Realtek 8111H:
В качестве Multi-IO используется микросхема Nuvoton NCT6795D:
реклама
На задней панели MSI X370 SLI Plus расположены:
- Один PS/2 порт для клавиатуры/мыши;
- Два USB 2.0;
- Один DVI-D;
- Один HDMI;
- Четыре USB 3.0;
- Один USB 3.1 Type-A;
- Один USB 3.1 Type-C;
- Один LAN;
- Шесть аудио входов/выходов 3.5 мм mini-jack.
Для ценового сегмента материнской платы, набор портов интерфейсной панели не вызывает нареканий: есть пара видео-выходов для гибридных процессоров, есть PS/2, есть семь классических портов USB и один порт Type-C, а больше пожалуй ничего и не нужно.
Фотография MSI X370 SLI Plus, позволяющая оценить высоту компонентов:
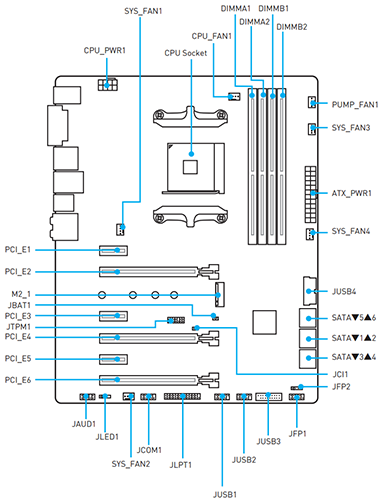
Расположение элементов:
Блок-схема платы:
Страницы материала
Лента материалов раздела
Соблюдение Правил конференции строго обязательно!
Флуд, флейм и оффтоп преследуются по всей строгости закона!
Комментарии, содержащие оскорбления, нецензурные выражения (в т.ч. замаскированный мат), экстремистские высказывания, рекламу и спам, удаляются независимо от содержимого, а к их авторам могут применяться меры вплоть до запрета написания комментариев и, в случае написания комментария через социальные сети, жалобы в администрацию данной сети.


Комментарии Правила