Обзор и тестирование материнской платы MSI X370 Krait Gaming (страница 4)
Остальные интерфейсы сконцентрированы вдоль нижнего края материнской платы:
Тут нашлось место для двух колодок USB 2.0, а также для еще одной колодки USB 3.0. Плюс ко всему, MSI X370 Krait Gaming располагает такими интерфейсами, как LPT и COM.
Из дополнительных контроллеров, расширяющих функциональность материнской платы, можно отметить находящиеся у интерфейсной панели ASMedia ASM2142:
реклама
Данные контроллеры отвечают за работу двух портов USB 3.1 (один Type-A, один Type-C), расположенных на интерфейсной панели.
Звуковой тракт размещен в левом нижнем углу материнской платы:
Звуковая дорожка с подсветкой, немалое количество конденсаторов и звуковой кодек, накрытый сверху крышкой с громким именем AudioBust 4 – все это реализовано для работы со звуковым кодеком Realtek ALC892. На мой взгляд, странный способ экономии, почему не используется тот же ALC1220 – понять сложно.
В качестве сетевого контроллера применен Realtek 8111H:
Как и в случае с контролером встроенного звука, на этом производитель сэкономил.
В качестве Multi-IO установлена микросхема Nuvoton NCT6795D:
реклама
На задней панели MSI X370 Krait Gaming расположены:
- Один PS/2 порт для клавиатуры/мыши;
- Два USB 2.0;
- Один DVI-D;
- Один HDMI;
- Четыре USB 3.0;
- Один USB 3.1 Type-A;
- Один USB 3.1 Type-C;
- Один LAN;
- Шесть аудио входов/выходов 3.5 мм mini-jack.
Несмотря на компромиссы, конфигурация интерфейсной панели для ценового сегмента модели неплоха. По крайней мере, тут есть семь классических портов USB.
Фотография MSI X370 Krait Gaming, позволяющая оценить высоту компонентов:
Расположение элементов:
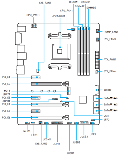
Блок-схема платы:
Страницы материала
Лента материалов раздела
Соблюдение Правил конференции строго обязательно!
Флуд, флейм и оффтоп преследуются по всей строгости закона!
Комментарии, содержащие оскорбления, нецензурные выражения (в т.ч. замаскированный мат), экстремистские высказывания, рекламу и спам, удаляются независимо от содержимого, а к их авторам могут применяться меры вплоть до запрета написания комментариев и, в случае написания комментария через социальные сети, жалобы в администрацию данной сети.


Комментарии Правила