Обзор материнской платы Gigabyte GA-EX58-Extreme (страница 2)
Дизайн и возможности
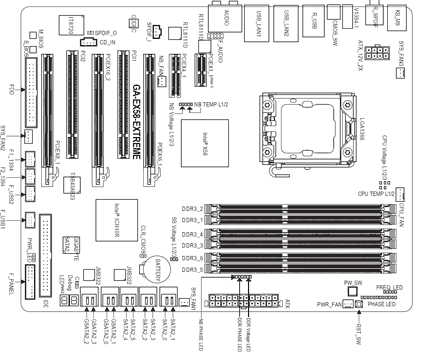
Дизайн платы Gigabyte GA-EX58-Extreme вопросов в целом не вызывает. Лишь расположение разъемов PATA и FDD на нижнем торце платы (на фото – левом) кому-то может показаться неудобным.
Интересно выглядит комбинация слотов карт расширения. Первые два – PCIe x1 и x4. И только за ними – верхний PCIe x16. Поэтому он не будет, как частенько бывает на материнских платах Gigabyte, мешать нижним защелкам слотов памяти. Всего полноразмерных карт PCI-Express на Gigabyte GA-EX58-Extreme можно установить три. А между ними – две PCI. Конечно, при условии «одноэтажного» дизайна видеоускорителей, для которых предназначена эта тройка слотов. Первые два – полноценные PCIe x16, последний (оранжевый) – «восьмискоростной»: северный мост Intel X58 поддерживает 40 линий PCI-Express.
реклама
Слотов памяти шесть (встроенный в процессоры Core i7 9xx контроллер DDR3, напоминаю, трехканальный), и левая пара расположена достаточно близко к процессорному разъему. Данная материнская плата (причем, именно этот экземпляр) долгое время была основой стенда для тестирования корпусов, и ваш покорный слуга собственноручно устанавливал на нее множество разных процессорных систем охлаждения. Так вот, модули памяти, оснащенные высокими радиаторами (вроде Corsair Dominator), использовать на Gigabyte GA-EX58-Extreme вместе с большинством суперкулеров как «башенной», так и «топ-конструкции» противопоказано: в два (а то и во все четыре) ближайшие к сокету слота такие планки не поместятся в принципе. Обычные низкие встают, но только при демонтированном процессорном радиаторе. Это тоже не слишком удобно. Что мешало сдвинуть слоты памяти ближе к краю платы, так и осталось для меня загадкой.
Видимо, очень хотелось разместить кнопки именно там. «Power» и «reset» прямо на плате давно стали обязательным атрибутом дорогой материнки для компьютерных энтузиастов. На GA-EX58-Extreme они совсем рядом. Зато разные: если кнопка сброса – это обычный «микрик», то «Power» даже снабжена подсветкой.
С остальных сторон вокруг процессорного разъема достаточно просторно. Все радиаторы, что мне приходилось устанавливать на GA-EX58-Extreme, ни с чем, кроме высоких модулей памяти, не «конфликтовали».
Как и любая современная материнская плата верхнего ценового сегмента, GA-EX58-Extreme может похвастать высококачественной элементной базой. Если конденсаторы, то только твердотельные. Процессорный преобразователь питания – двенадцатифазный. Кстати, это не слишком много на фоне топовых плат под LGA1156. Но в данном случае скорее «там перебор, чем здесь недобор».
На задней панели Gigabyte GA-EX58-Extreme расположились:
- Два разъема PS/2 – для клавиатуры и мыши.
- Оптический и коаксиальный аудио-выходы S/PDIF.
- Порт Firewire.
- Кнопка обнуления BIOS (Clear CMOS).
- Восемь портов USB 2.0.
- Два сетевых разъема RJ45 (витая пара).
- Шесть аналоговых аудио-джеков восьмиканального звукового кодека.
реклама
И ни одного eSATA. Теперь понятно, откуда такое обилие планок и кабелей в комплекте.
На самой плате десять портов Serial ATA. Шесть обеспечивает набор логики, за остальные четыре в ответе пара микросхем JMicron JMB322. А контроллер GSATA2 (на самом деле это перемаркированный JMB363) нужен лишь для реализации поддержки PATA. Как уже упоминалось, удастся подключить к Gigabyte GA-EX58-Extreme и накопитель на гибких магнитных дисках.
Поддержка сети реализована с помощью двух микросхем Realtek RTL8111D. За Firewire отвечает Texas Instruments TSB43AB23.
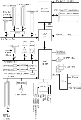
В руководстве пользователя нашлась подробная схема контроллеров материнской платы Gigabyte GA-EX58-Extreme:
Страницы материала
Лента материалов раздела
Соблюдение Правил конференции строго обязательно!
Флуд, флейм и оффтоп преследуются по всей строгости закона!
Комментарии, содержащие оскорбления, нецензурные выражения (в т.ч. замаскированный мат), экстремистские высказывания, рекламу и спам, удаляются независимо от содержимого, а к их авторам могут применяться меры вплоть до запрета написания комментариев и, в случае написания комментария через социальные сети, жалобы в администрацию данной сети.


Комментарии Правила