Обзор и тестирование материнской платы MSI Z270 SLI Plus (страница 4)
В качестве сетевого контроллера применен Intel I219-V:
В качестве Multi-IO используется микросхема Nuvoton NCT6795D:
На задней панели MSI Z270 SLI Plus расположены:
реклама
- Один PS/2 порт для клавиатуры/мыши;
- Два USB 2.0;
- Один DVI-D;
- Один USB 3.1 Type-A;
- Один USB 3.1 Type-C;
- Четыре USB 3.0;
- Один HDMI;
- Один порт LAN;
- Шесть аудио входов/выходов 3.5 мм mini-jack.
В целом, конфигурация интерфейсной панели хоть и содержит компромиссы, для ценового сегмента платы неплоха. По крайней мере, тут есть семь классических портов USB.
Фотография MSI Z270 SLI Plus, позволяющая оценить высоту компонентов:
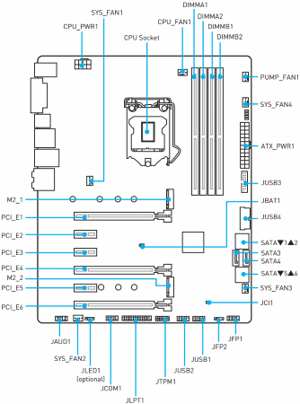
Расположение элементов:
Блок-схема платы:
реклама
Система охлаждения
Система охлаждения материнской платы состоит из трех независимых радиаторов. Два ответственны за отвод тепла от преобразователя питания процессора, третий радиатор отводит тепло от набора системной логики Intel Z270.
Радиаторы преобразователей питания неплохи для ценового сегмента устройства и позволяют надеяться на комфортный температурный режим материнской платы:
Все же это не просто декоративные металлические болванки, а именно радиаторы, у которых есть некоторое оребрение. Хотя мы еще проверим их эффективность в деле.
Используются весьма тонкие термопрокладки, так что при необходимости/желании снять радиаторы следует соблюдать некоторую осторожность, дабы не повредить их. Несмотря на малую толщину термопрокладок, контакт силовых элементов с радиатором хороший и равномерный по всей площади.
Радует размерами и третий радиатор, ответственный за охлаждение набора системной логики:
Крупный размер, и опять-таки, наличие некоторого оребрения. Итого, с учетом низкого тепловыделения Intel Z270 можно надеяться на комфортный температурный режим.
Используемый термоинтерфейс крайне густой, на грани твердости. Проще всего удаляется соскабливанием.
Страницы материала
Лента материалов раздела
Соблюдение Правил конференции строго обязательно!
Флуд, флейм и оффтоп преследуются по всей строгости закона!
Комментарии, содержащие оскорбления, нецензурные выражения (в т.ч. замаскированный мат), экстремистские высказывания, рекламу и спам, удаляются независимо от содержимого, а к их авторам могут применяться меры вплоть до запрета написания комментариев и, в случае написания комментария через социальные сети, жалобы в администрацию данной сети.


Комментарии Правила