Обзор и тестирование материнской платы ASUS Z87I-PRO (страница 2)
Под DDR3 память распаяно два слота, которые оборудованы защелками только снизу:
Подобное размещение является не слишком удачным решением, ведь доступ к слотам оперативной памяти перекрывается при установленной в систему видеокарте. Но в условиях компоновки платы с преобразователем питания процессора на дочерней PCB других вариантов собственно нет.
Производителем заявлены следующие режимы работы DDR3: 1333, 1600, 1800 (разгон), 1866 (разгон), 2000 (разгон), 2133 (разгон), 2200 (разгон), 2400 (разгон), 2500 (разгон), 2600 (разгон), 2666 (разгон), 2800 (разгон), 2933 (разгон), 3000 (разгон) МГц. Список частот, доступный в BIOS материнской платы: 800, 1066, 1333, 1400, 1600, 1800, 1866, 2000, 2133, 2200, 2400, 2600, 2666, 2800, 2933, 3000, 3200 МГц. В этом аспекте ASUS Z87I-PRO не отличается от своих полноразмерных собратьев.
реклама
Как и у них, на материнской плате присутствует кнопка MemOK, использование которой может помочь решить возможные проблемы совместимости памяти с платой. Однако расположена она очень неудобно – недалеко от верхнего левого угла платы:
При установленной системе охлаждения процессора есть шанс до этой кнопки не дотянуться.
В отличие от Maximus VI Impact, на Z87I-PRO реализовано не четыре, а сразу шесть портов SATA:
Все они реализованы силами набора системной логики Intel Z87, сторонние контроллеры отсутствуют. Что касается компоновки, то четыре порта из шести остались приблизительно на тех же местах, что и в случае Impact, то есть в местах для собранной системы труднодоступных. А вот два дополнительных порта находятся с краю платы, что упрощает доступ к ним. Тут же рядом с двумя портами SATA у края платы можно обнаружить колодку для подключения корпуса, что особенно заметно на фоне контраста с недавно протестированной MSI Z87I, где эта колодка была чуть ли не в центре платы.
Помимо поддержки сразу шести портов SATA, неплохо обстоят дела и с портами USB 3.0, коих в наличии восемь штук: шесть расположены на I/O панели, два реализованы в виде колодки для подключения корпусных портов. И поскольку силами Intel Z87 можно реализовать только шесть портов, применен дополнительный контроллер – ASMedia ASM1042:
реклама
Порты, идущие от контроллера ASMedia, расположены на I/O панели платы – напротив LAN порта.
В качестве сетевого контроллера используется Intel I217-V:
За реализацию встроенного звука отвечает Realtek ALC1150:
В качестве Multi-IO применена микросхема Nuvoton NCT5538D:
На задней панели ASUS Z87I-PRO расположены:
- Один DVI-I;
- Один DisplayPort;
- Один HDMI;
- Один LAN;
- Шесть USB 3.0;
- Четыре USB 2.0;
- Один оптический выход S/PDIF;
- Три аудиоразъема 3.5-мм mini-jack;
- Одна кнопка Clear CMOS;
- Одна кнопка USB BIOS Flashback;
- Один модуль ASUS Wi-Fi GO! (Wi-Fi 802.11 a/b/g/n and Bluetooth v4.0/3.0+HS).
С точки зрения конфигурации I/O панели материнская плата радует: такое сочетание, как наличие десяти портов USB и трех видеовыходов встречается очень редко. Лишь положительно можно отметить тот факт, что используется порт DVI-I, а не DVI-D, соответственно к плате можно подключить аналоговый кабель через переходник DVI - D-Sub.
Фотография системной платы, позволяющая оценить высоту компонентов:
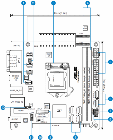
Расположение элементов.
Система охлаждения
Система охлаждения ASUS Z87I-PRO представлена двумя радиаторами, один установлен в преобразователе питания процессора, второй на наборе системной логики.
Радиатор преобразователя питания весьма скромен:
Понятно, что конструкцию больших размеров разместить негде, но на том же Impact был хоть какой-то намек на оребрение, здесь же – просто кусок металла. Без обдува радиаторов преобразователь питания ЦП наверняка перегреется. Единственное, за что систему охлаждения можно похвалить – радиатор крепится через прижимную пластину с обратной стороны преобразователя питания.
Используется термопрокладка средней толщины, прижим равномерен по всей площади радиатора и прижимной пластины.
Размеры радиатора набора системной логики Intel Z87 также не назвать исполинскими:
Хотя в случае с чипсетом все же можно говорить о том, что для эффективного отвода тепла хватит и такого радиатора.
В качестве термоинтерфейса используется такая же прокладка, как и в случае преобразователя питания процессора.
Страницы материала
Лента материалов раздела
Соблюдение Правил конференции строго обязательно!
Флуд, флейм и оффтоп преследуются по всей строгости закона!
Комментарии, содержащие оскорбления, нецензурные выражения (в т.ч. замаскированный мат), экстремистские высказывания, рекламу и спам, удаляются независимо от содержимого, а к их авторам могут применяться меры вплоть до запрета написания комментариев и, в случае написания комментария через социальные сети, жалобы в администрацию данной сети.


Комментарии Правила