Обзор и тестирование материнской платы Gigabyte GA-Z77X-UP5 TH (страница 3)
Фотография материнской платы, позволяющая оценить высоту компонентов:
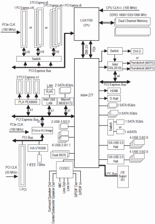
Блок-схема платы:
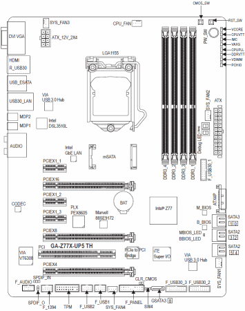
Схема расположения элементов:
реклама
Система охлаждения
Конструкция СО состоит из трех весьма крупных радиаторов, соединенных между собой тепловой трубкой. Первые два отводят тепло от преобразователей питания процессора, третий – от набора логики Intel Z77.
Крепление всех радиаторов винтовое, причем, как уже отмечалось ранее, сделано на совесть, с использованием прижимных пластин напротив радиаторов преобразователей питания.
Контакт силовых элементов преобразователей питания осуществляется через термопрокладку средней толщины, прижим (как можно видеть по фотографии выше) равномерный и достаточный для теплоотвода.
Термоинтерфейс набора системной логики высохший, можно даже сказать, затвердевший. С другой стороны, он не липкий и легко соскабливается, что плюс, ибо позволяет избежать временных затрат при чистке.
реклама
Для создания максимально стрессовых для материнской платы условий, во время температурных замеров на процессоре использовалось жидкостное охлаждение, при этом радиаторы платы оставались без обдува. Замер температур осуществлялся при помощи термопары K-типа и мультиметра Mastech MY64, температура воздуха в помещении на момент замера ~22-23 градуса по Цельсию.
В качестве нагрузки использовался тест Linpack AVX на разогнанном i7-2600K (4871 МГц / 1.48 В).
|
|
в простое |
под нагрузкой |
| Радиатор сверху от процессорного разъема |
|
|
| Радиатор слева от процессорного разъема |
|
|
| Радиатор системной логики |
|
|
Как можно видеть по таблице выше, температурный режим материнской платы не вызывает каких-либо нареканий. Собственно, температуры заметно ниже даже по сравнению с предшественницей – с GA-Z77X-UD5H, хотя та была одной из самых холодных плат, среди протестированных мною.
Система питания
Преобразователь питания процессора выполнен по схеме 8+2+2, восемь фаз отведено под питание CPU VCore и по две фазы отведено для питания IGPU/CPU VTT. Для VCCSA задействован линейный стабилизатор.
В качестве основного ШИМ-контроллера, отвечающего за восемь фаз CPU VCore применен IR3563A производства International Rectifier:
Контроллер восьмифазный, так что удвоители фаз не используются. Привычные драйверы и транзисторы на данной плате заменены DrMOS микросхемами IR3550, по одной на каждую фазу.
Преобразователи питания IGPU и CPU VTT берут свое начало от контроллера IR3570A:
Несмотря на то, что оба преобразователя обеспечиваются одним контроллером – элементная база применена разная. В случае с питанием IGPU это микросхемы IR3550, по одной на фазу. В случае с питанием CPU VTT это драйвер IR3598, а также транзисторы Renesas RJK0393DPA и Renesas RJK03B7DPA, по одному на каждую фазу.
Преобразователь питания памяти двухфазный:
реклама
Питание памяти схоже с питанием CPU VTT, используется такой же контроллер (IR3570A), такой же драйвер (IR3598), и такие же транзисторы Renesas RJK0393DPA / RJK03B7DPA.
Технические характеристики
| Поддерживаемые процессоры | Support for Intel® Core™ i7 processors/ Intel® Core™ i5 processors/ Intel® Core™ i3 processors/ Intel® Pentium® processors/ Intel® Celeron® processors in the LGA 1155 package |
| Системная шина, частота | DMI, 5000 МГц |
| Системная логика | Intel Z77 |
| Оперативная память | 4 x 240-pin DDR3 DIMM, двухканальный режим, до 32 Гбайт при частоте 1066/1333/1600 МГц |
| Слоты расширения | PCI-E 2.0 X1; PCI-E 3.0 X16/8; PCI-E 2.0 X1; PCI-E 2.0 X1; PCI-E 3.0 X8/X4; PCI; PCI-E 3.0 X4 (доступен только при использовании процессоров Ivy Bridge) |
| Поддержка Multi-GPU | SLI и CrossFireX |
| Поддержка SATA/RAID | Intel Z77: 2x SATA 6 Гбит/с, 4x SATA 3 Гбит/с RAID 0, RAID 1, RAID 10, RAID 5 Marvell 88SE9172: 1x SATA 6 Гбит/с |
| Поддержка eSATA | 1x eSATA 6 Гбит/с (Marvell 88SE9172) |
| Поддержка IDE и FDD | Нет |
| Thunderbolt | Intel DSL3510L: 2 x Thunderbolt |
| Сеть | Intel WG82579V Gigabit Ethernet |
| Аудио | Realtek ALC898 codec Support for X-Fi Xtreme Fidelity and EAX Advanced HD 5.0 technologies High Definition Audio 2/4/5.1/7.1-channel Support for S/PDIF In/Out |
| USB 2.0 | 6x USB 2.0 (Intel Z77) |
| USB 3.0 | 10x USB 3.0, два напрямую от Z77, еще восемь через два концентратора VL810 |
| IEEE-1394 | 1x IEEE-1394a (VIA VT6308P) |
| Системный мониторинг | ITE IT8728F |
| Питание материнской платы | ATX 24-pin, 8-pin ATX 12V, ATX 4P |
| Разъемы задней панели | 1 x D-Sub; 1 x DVI-D; 1 x HDMI; 2 x USB 2.0; 4 x USB 3.0; 1 x eSATA 6 Гбит/с; 1 x LAN; 2 x Thunderbolt; Оптический выход S/PDIF; 5 аудио входов/выходов 3.5-мм mini-jack. |
| Фирменные технологии | Support for @BIOS Support for Q-Flash Support for Xpress Install Support for Xpress Recovery2 Support for EasyTune * Available functions in EasyTune may differ by motherboard model. Support for eXtreme Hard Drive (X.H.D) Support for Auto Green Support for ON/OFF Charge Support for Q-Share Support for 3D Power Support for EZ Setup |
| Размеры, мм | 305 x 244 |
| Форм-фактор | ATX. |
Страницы материала
Лента материалов раздела
Соблюдение Правил конференции строго обязательно!
Флуд, флейм и оффтоп преследуются по всей строгости закона!
Комментарии, содержащие оскорбления, нецензурные выражения (в т.ч. замаскированный мат), экстремистские высказывания, рекламу и спам, удаляются независимо от содержимого, а к их авторам могут применяться меры вплоть до запрета написания комментариев и, в случае написания комментария через социальные сети, жалобы в администрацию данной сети.


Комментарии Правила