Обзор и тестирование материнской платы MSI Z87I Gaming AC (страница 2)
Под DDR3 память распаяно два слота, которые оборудованы защелками сверху:
В данном случае использование защелок только с одной стороны облегчает доступ к модулям оперативной памяти при установленной в систему видеокарте. В противном случае для снятия или установки модулей памяти видеокарту приходилось бы снимать, а так – не придется.
Производителем заявлены следующие режимы работы DDR3: 1066, 1333, 1600, 1866 (разгон), 2000 (разгон), 2133 (разгон), 2200 (разгон), 2400 (разгон), 2600 (разгон), 2666 (разгон), 2800 (разгон), 3000 (разгон) МГц. Список частот, доступный в BIOS материнской платы: 800, 1066, 1333, 1400, 1600, 1800, 1866, 2000, 2133, 2200, 2400, 2600, 2666, 2800, 2933, 3000, 3200 МГц.
реклама
Как и на MSI Z87I, на Z87I Gaming AC можно отметить непривычное расположение портов SATA и разъемов для подключения корпусных портов USB – вверху платы, недалеко от верхнего левого угла:
Все пять портов SATA поддерживают стандарт SATA 6 Гбит/с. И USB 3.0 колодка, и упомянутая пятерка берут свое начало от набора системной логики Intel Z87, сторонние контроллеры не применяются. Набором системной логики поддерживается до шести портов, и все его возможности используются платой: ресурсы последнего, шестого разъема отданы eSATA порту на I/O панели Z87I Gaming AC.
Если к расположению колодки USB 3.0 и портов SATA особых претензий нет (хоть они и располагаются в непривычных местах), то USB 2.0 колодка расположена неудобно, так как уходит «вглубь» материнской платы. Еще более неудобно размещена колодка для подключения корпуса, подключать все эти мелкие проводки, скорее всего, будет удобнее еще до установки системной платы в корпус. Печалит отсутствие в комплекте поставки переходника M-Connector, который мог бы значительно упростить задачу, и который есть в комплекте поставки Z87M Gaming, где он толком не нужен. А где нужен – его нет.
Модуль Wi-Fi/Bluetooth выполнен в «ноутбучном» форм-факторе mini-PCIe:
В качестве модуля, как и у недавно протестированной MSI A88XI AC, используется весьма недешевое решение ($20-25) – Intel 7260HMW. Ключевой особенностью модуля является возможность работы на частоте 5 ГГц, а также поддержка стандарта IEEE 802.11ac.
Помимо использования «ноутбучного» Wi-Fi/Bluetooth модуля, в целях экономии места используется крепление батарейки перпендикулярно плате:
реклама
Оригинальное решение, хотя и не настолько оригинальное, как было в случае с A88XI AC, где батарейка и вовсе подключалась проводами, и приклеивалась с обратной стороны I/O панели.
Микросхема звукового кодека, как и на других платах MSI линейки Gaming, накрыта кожухом, правда, на сей раз без откручивающейся верхней крышки:
В качестве звукового контроллера используется знакомое многим решение – Realtek ALC1150.
В отличие от обычной MSI Z87I, на Z87I Gaming AC не два LAN разъема, а только один. Ну, зато вместо контроллеров Realtek здесь установлен Atheros Killer E2205, который находится на обратной стороне платы:
В качестве Multi-IO применена микросхема Nuvoton NCT6779D, расположенная с обратной стороны платы:
На задней панели MSI Z87I Gaming AC расположены:
- Один PS/2 порт для клавиатуры/мыши;
- Кнопка ClearCMOS;
- Оптический порт S/PDIF;
- Два выхода под Wi-Fi антенны;
- Один HDMI;
- Один DisplayPort;
- Один DVI-I;
- Один LAN;
- Один eSATA;
- Четыре USB 3.0;
- Два USB 2.0;
- Шесть аудио входов/выходов 3.5-мм mini-jack.
Общая организация I/O панели унаследована от MSI Z87I. Конфигурацию нельзя назвать идеальной: слишком много места занимают выходы Wi-Fi антенн и порт DVI, как следствие, пользователь получает в свое распоряжение только шесть портов USB, чего для домашнего мультимедиа-центра может и не хватить. Из приятных моментов – на Z87I Gaming AC реализован интерфейс DVI-I, а не DVI-D, и присутствует возможность вывода аналогового сигнала при помощи переходника DVI->D-SUB. По сути, единственное отличие между материнскими платами заключается в том, что у Gaming AC есть разъем eSATA, а у Z87I на этом месте расположен второй разъем LAN.
Фотография MSI Z87I Gaming AC, позволяющая оценить высоту компонентов:
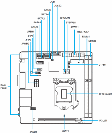
Расположение элементов.
реклама
Страницы материала
Лента материалов раздела
Соблюдение Правил конференции строго обязательно!
Флуд, флейм и оффтоп преследуются по всей строгости закона!
Комментарии, содержащие оскорбления, нецензурные выражения (в т.ч. замаскированный мат), экстремистские высказывания, рекламу и спам, удаляются независимо от содержимого, а к их авторам могут применяться меры вплоть до запрета написания комментариев и, в случае написания комментария через социальные сети, жалобы в администрацию данной сети.


Комментарии Правила