Обзор и тестирование материнской платы MSI Z87I (страница 2)
Чуть поодаль от данных портов, углубляясь к центру платы, расположена колодка для подключения корпуса:
Ее размещение крайне неудобно, подключить колодку при сборке системы может быть проблематично. Жаль, что производитель не решил эту проблему подобно тому, как это сделали в ASUS – при помощи отдельного удлинителя в комплекте поставки платы.
А вот что в отличие от колодки подключения корпуса радует, так это функциональность платы в плане поддержки сетевых технологий. Во-первых, на ней присутствует порт mini-PCIe, в который установлен модуль Wi-Fi/Bluetooth:
реклама
Во-вторых, на Z87I распаяно два сетевых контроллера, и, соответственно, есть два LAN порта. В качестве сетевых контроллеров используется пара Realtek 8111G:
Для материнской платы со средней стоимостью на уровне 4200 рублей такая функциональность – редкость.
А вот на чем сэкономили, так это на встроенном звуке, в качестве звукового кодека применен Realtek ALC892:
В качестве Multi-IO используется микросхема Nuvoton NCT6779D:
На задней панели MSI Z87I расположены:
реклама
- Один PS/2 порт для клавиатуры/мыши;
- Кнопка ClearCMOS;
- Кнопка GO2BIOS;
- Оптический порт S/PDIF;
- Два выхода под Wi-Fi антенны;
- Один HDMI;
- Один DisplayPort;
- Один DVI-I;
- Два LAN;
- Четыре USB 3.0;
- Два USB 2.0;
- Шесть аудио входов/выходов 3.5-мм mini-jack.
Конфигурацию I/O панели нельзя назвать идеальной: слишком много места занимают выходы Wi-Fi антенн и порт DVI, из-за чего в распоряжении пользователя есть только шесть портов USB, чего для домашнего мультимедиа-центра может и не хватить. Единственное, что при таком раскладе радует – то, что реализован интерфейс DVI-I, а не DVI-D, и присутствует возможность вывода аналогового сигнала при помощи переходника DVI->D-SUB. К положительным качествам I/O панели можно отнести наличие двух разъемов LAN.
Фотография материнской платы, позволяющая оценить высоту компонентов.
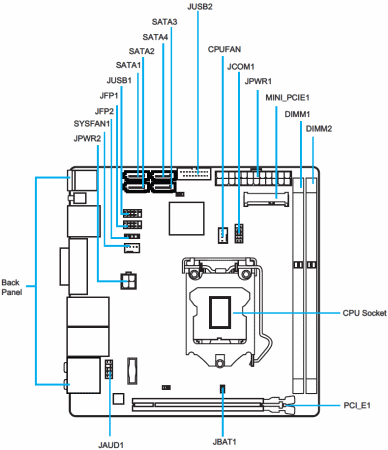
Расположение элементов.
Система охлаждения
Система охлаждения MSI Z87I предельно проста и состоит всего из двух радиаторов. Один отводит тепло от преобразователя питания материнской платы, а второй от набора системной логики Intel Z87.
Начнем с радиатора преобразователя питания ЦП. Его размеры можно назвать миниатюрными:
С другой стороны, ругать производителя за использование такого радиатора нет смысла: ограничение на размеры здесь накладывает форм-фактор Mini-ITX, крупные радиаторы тут разместить просто негде.
Контакт с силовыми элементами осуществляется через довольно толстую термопрокладку. Отпечаток на ней равномерный, проблем с контактом радиатора и силовых элементов нет.
Радиатор набора системной логики также не отличается крупными размерами:
реклама
В его эффективности есть сомнения, особенно на фоне того, что материнские платы MSI при разгоне любят напряжение PCH на уровне 1.15-1.2 В, при штатном для Intel Z87 напряжении 1.05 В.
Термоинтерфейс между радиатором и кристаллом уже успел высохнуть. Отмечу, что на фотографии можно увидеть два различных термоинтерфейса, но это, скорее всего, следы деятельности предыдущего тестера материнской платы.
Лента материалов раздела
Соблюдение Правил конференции строго обязательно!
Флуд, флейм и оффтоп преследуются по всей строгости закона!
Комментарии, содержащие оскорбления, нецензурные выражения (в т.ч. замаскированный мат), экстремистские высказывания, рекламу и спам, удаляются независимо от содержимого, а к их авторам могут применяться меры вплоть до запрета написания комментариев и, в случае написания комментария через социальные сети, жалобы в администрацию данной сети.


Комментарии Правила