Обзор и тестирование материнской платы MSI Z97 Gaming 5 (страница 3)
Фотография MSI Z97 Gaming 5, позволяющая оценить высоту компонентов:
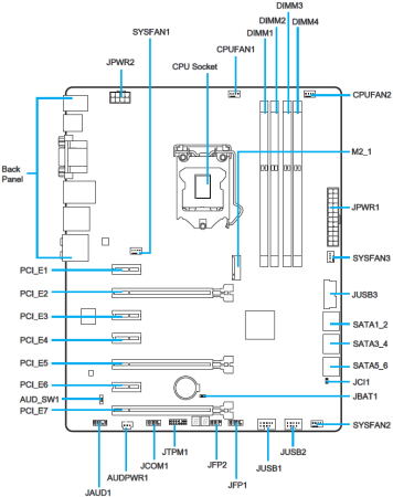
Расположение элементов.
реклама
Система охлаждения
Система охлаждения материнской платы состоит из трех независимых радиаторов. Два из трех радиаторов ответственны за отвод тепла от преобразователя питания процессора, третий радиатор отводит тепло от набора системной логики Intel Z97.
Радиаторы преобразователя питания процессора сравнительно крупные, но внешне выглядят скорее как аккумуляторы тепла, нежели как конструкция, способная тепло рассеивать:
Несмотря на большой вес и большие размеры, оребрения почти нет. Что ж, как проявит себя такая конструкция при стресс-тесте, еще проверим. Но, на мой первый взгляд, радиаторы Z87/Z97-G45 Gaming должны быть эффективней.
Используется термопрокладка средней толщины, контакт радиатора с термопрокладкой плотный и равномерный.
Как и радиаторы преобразователя питания процессора, радиатор системной логики представляет собой скорее стилизованный кусок металла, нежели радиатор в привычном понимании этого слова:
реклама
Но, с учетом размеров конструкции и уровня тепловыделения Intel Z97, беспокоиться о температурном режиме набора системной логики не приходится.
Термоинтерфейс представляет собой твердую субстанцию, которая легко соскабливается.
Система питания
Преобразователь питания процессора выполнен по восьмифазной схеме:
В качестве контроллера используется четырехфазный uPI Semiconductor uP1649P, далее в дело вступают четыре драйвера/удвоителя фаз uP1951. В качестве транзисторов используются Nikos PK632BA и PK616BA, по одному на каждую фазу.
Преобразователь питания памяти однофазный:
В качестве контроллера используется uPI Semiconductor UP1504, в качестве транзисторов используются два PK632BA и два PK616BA.
Технические характеристики
| Поддерживаемые процессоры | Supports 4th and 5th Generation Intel Core Processors, and Intel Pentium and Celeron Processors for Socket LGA1150 |
| Системная шина, частота | DMI 2.0 |
| Системная логика | Intel Z97 |
| Оперативная память | 4 x 240-pin DDR3 DIMM, двухканальный режим, до 32 Гбайт при частоте 1066/ 1333/ 1600/ 1866 (разгон)/ 2000 (разгон)/ 2133 (разгон)/ 2200 (разгон)/ 2400 (разгон)/ 2600 (разгон)/ 2666 (разгон)/ 2800 (разгон)/ 3000 (разгон)/ 3100 (разгон)/ 3200 (разгон)/ 3300 (разгон) МГц |
| Слоты расширения | 1x PCI-E 3.0 X16/8 1x PCI-E 3.0 X8/X4/0 1x PCI-E 3.0 X4/0 4x PCI-E 2.0 X1 |
| Поддержка Multi-GPU | SLI в конфигурации с двумя графическими адаптерами по формуле 3.0 8+8, CrossFireX в конфигурации с двумя графическими адаптерами по формуле 3.0 8+8, либо в конфигурации с тремя графическими адаптерами по формуле 3.0 8+4+4 |
| Поддержка SATA/RAID | Intel Z97: 6x SATA 6 Гбит/с RAID 0, RAID 1, RAID 10, RAID 5 M.2 port |
| Поддержка eSATA | Нет |
| Поддержка IDE и FDD | Нет |
| Сеть | 1x Killer E2205 Gigabit LAN controller |
| Аудио | Realtek ALC1150 Codec - 7.1-Channel High Definition Audio |
| USB 2.0 | Intel Z97: 8 x USB 2.0 |
| USB 3.0 | Intel Z97: 6 x USB 3.0 |
| IEEE-1394 | Нет |
| Системный мониторинг | Nuvoton NCT6792D |
| Питание материнской платы | ATX 24-pin, 8-pin ATX 12V |
| Разъемы задней панели | 1 x PS/2 порт для клавиатуры/мыши 1 x DVI-D 1 x D-SUB 1 x HDMI 1 x LAN 4 x USB 3.0 4 x USB 2.0 6 аудио входов/выходов 3.5-мм mini-jack |
| Фирменные технологии | Audio Boost Military Class 4 OC Genie 4 CLICK BIOS 4 NVIDIA SLI AMD CrossFire Sound Blaster Cinema 2 Total Fan Control Gaming Device Port Smart Utilities Command Center ECO Center |
| Размеры, мм | 305 x 244 |
| Форм-фактор | ATX |
Страницы материала
Лента материалов раздела
Соблюдение Правил конференции строго обязательно!
Флуд, флейм и оффтоп преследуются по всей строгости закона!
Комментарии, содержащие оскорбления, нецензурные выражения (в т.ч. замаскированный мат), экстремистские высказывания, рекламу и спам, удаляются независимо от содержимого, а к их авторам могут применяться меры вплоть до запрета написания комментариев и, в случае написания комментария через социальные сети, жалобы в администрацию данной сети.


Комментарии Правила